活塞式流量调节阀
产品概况
公称通径:DN400~2000mm
公称压力:PN0.25~1.6MPa
适用介质:水、热水等
适用温度:≤100℃
法兰连接尺寸:GB4216.2~4216.5、GB/T17241.6
压力试验: GB/T13927
活塞式流量调节阀产品概述
百钢阀门集团生产销售的活塞式流量调节阀是总结国内设计制造及实用经验的基础上,根据流体力学特性而开发出来的调速调压型阀门。已经在电站、引水、供水等领域得到了广泛的应用。经过改进的本系列流量调节阀不但适用于清水,对于天然江河湖泊水、轻度污水具有良好的耐受能力。从设计结构和材料选用上解决了多年来流量调节阀易结垢,卡阻,驱动装置偏大的难题。
活塞式流量调节阀性能规范
|
公称压力(MPa) |
公称通径(mm) |
试验压力(MPa) |
适用介质 |
适用温度 |
|
|
壳体 |
密封 |
||||
|
0.25 |
400~2000 |
0.375 |
0.275 |
水、热水等 |
≤100℃ |
|
0.6 |
200~1600 |
0.9 |
0.66 |
||
|
1.0 |
200~1600 |
1.5 |
1.1 |
||
|
1.6 |
200~1200 |
2.4 |
1.76 |
||
活塞式流量调节阀执行标准
|
压力试验 |
法兰连接尺寸 |
|
GB/T13927 |
GB4216.2~4216.5、GB/T17241.6 |
活塞式流量调节阀主要零件材料
|
材料 |
零件名称 |
|
HT200、HT250、QT450-10 |
阀体、端盖、连杆架、法兰管、曲柄 |
|
2Cr13、1Cr18Ni9Ti |
阀杆、销轴、活塞 |
|
1Cr18Ni9Ti |
阀体密封圈 |
|
NBR |
活塞密封圈 |
|
QT450-10 |
连杆 |
|
ZCuAI10Fe3、ZCuZn38Mn2Pb2 |
轴承 |
|
NBR |
填料 |
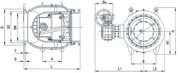
活塞式流量调节阀主要连接尺寸
|
PN |
DN |
L |
L1 |
L2 |
H |
H1 |
Do |
A |
B |
|
0.25 |
400 |
800 |
715 |
308 |
980 |
335 |
250 |
345 |
390 |
|
450 |
900 |
749 |
347 |
1100 |
400 |
250 |
410 |
440 |
|
|
500 |
1000 |
792 |
383 |
1180 |
450 |
300 |
460 |
500 |
|
|
600 |
1200 |
847 |
458 |
1250 |
500 |
300 |
510 |
600 |
|
|
700 |
1400 |
920 |
528 |
1390 |
600 |
300 |
580 |
700 |
|
|
800 |
1600 |
980 |
599 |
1530 |
700 |
360 |
680 |
800 |
|
|
900 |
1800 |
1030 |
674 |
1650 |
800 |
360 |
790 |
900 |
|
|
1000 |
2000 |
1105 |
744 |
1800 |
900 |
400 |
860 |
1000 |
|
|
1200 |
2400 |
1375 |
852 |
2010 |
1000 |
400 |
950 |
1130 |
|
|
1400 |
2800 |
1380 |
1031 |
2230 |
1250 |
400 |
1250 |
1380 |
|
|
1600 |
3200 |
1490 |
1183 |
2480 |
1450 |
400 |
1500 |
1600 |
|
|
1800 |
3600 |
1780 |
1325 |
2720 |
1650 |
400 |
1750 |
1750 |
|
|
2000 |
4000 |
1910 |
1476 |
2930 |
1850 |
400 |
2000 |
1950 |
|
|
0.6 |
200 |
400 |
600 |
162 |
820 |
175 |
200 |
150 |
180 |
|
250 |
500 |
625 |
198 |
830 |
185 |
200 |
200 |
240 |
|
|
300 |
600 |
650 |
233 |
880 |
235 |
200 |
250 |
280 |
|
|
350 |
700 |
690 |
273 |
930 |
285 |
250 |
300 |
330 |
|
|
400 |
800 |
715 |
308 |
980 |
335 |
250 |
345 |
390 |
|
|
450 |
900 |
749 |
347 |
1100 |
400 |
300 |
410 |
440 |
|
|
500 |
1000 |
792 |
383 |
1180 |
450 |
300 |
460 |
500 |
|
|
600 |
1200 |
847 |
458 |
1250 |
500 |
300 |
510 |
600 |
|
|
700 |
1400 |
920 |
528 |
1390 |
600 |
360 |
580 |
700 |
|
|
800 |
1600 |
980 |
599 |
1530 |
700 |
360 |
680 |
800 |
|
|
900 |
1800 |
1030 |
674 |
1650 |
800 |
400 |
790 |
900 |
|
|
1000 |
2000 |
1105 |
744 |
1800 |
900 |
400 |
860 |
1000 |
|
|
1200 |
2400 |
1250 |
890 |
2010 |
1050 |
400 |
950 |
1200 |
|
|
1400 |
2800 |
1380 |
1031 |
2230 |
1250 |
400 |
1250 |
1400 |
|
|
1600 |
3200 |
1490 |
1183 |
2480 |
1450 |
400 |
1500 |
1600 |
|
|
1.0 |
200 |
400 |
600 |
162 |
820 |
175 |
200 |
150 |
200 |
|
250 |
500 |
625 |
198 |
830 |
185 |
200 |
200 |
250 |
|
|
300 |
600 |
650 |
233 |
880 |
235 |
250 |
250 |
300 |
|
|
350 |
700 |
690 |
273 |
930 |
285 |
250 |
300 |
350 |
|
|
400 |
800 |
715 |
308 |
980 |
335 |
300 |
345 |
400 |
|
|
450 |
900 |
749 |
347 |
1100 |
400 |
300 |
410 |
450 |
|
|
500 |
1000 |
792 |
383 |
1180 |
450 |
300 |
460 |
500 |
|
|
600 |
1200 |
847 |
458 |
1250 |
500 |
360 |
510 |
600 |
|
|
700 |
1400 |
920 |
528 |
1390 |
600 |
360 |
580 |
700 |
|
|
800 |
1600 |
980 |
599 |
1530 |
700 |
400 |
680 |
800 |
|
|
900 |
1800 |
1030 |
674 |
1650 |
800 |
400 |
790 |
900 |
|
|
1000 |
2000 |
1105 |
744 |
1800 |
900 |
400 |
860 |
1000 |
|
|
1200 |
2400 |
1250 |
890 |
2010 |
1050 |
400 |
950 |
1200 |
|
|
1400 |
2800 |
1380 |
1031 |
2230 |
1250 |
400 |
1250 |
1400 |
|
|
1600 |
3200 |
1490 |
1183 |
2480 |
1450 |
400 |
1500 |
1600 |
|
|
1.6 |
200 |
400 |
625 |
162 |
820 |
175 |
250 |
150 |
200 |
|
250 |
500 |
650 |
198 |
880 |
185 |
250 |
200 |
250 |
|
|
300 |
600 |
690 |
233 |
930 |
235 |
300 |
250 |
300 |
|
|
350 |
700 |
715 |
273 |
980 |
285 |
300 |
300 |
350 |
|
|
400 |
800 |
749 |
308 |
1100 |
335 |
300 |
345 |
400 |
|
|
450 |
900 |
792 |
347 |
1180 |
400 |
360 |
410 |
450 |
|
|
500 |
1000 |
847 |
383 |
1250 |
450 |
360 |
460 |
500 |
|
|
600 |
1200 |
920 |
458 |
1390 |
500 |
400 |
510 |
600 |
|
|
700 |
1400 |
980 |
528 |
1530 |
600 |
400 |
580 |
700 |
|
|
800 |
1600 |
1030 |
599 |
1650 |
700 |
400 |
680 |
800 |
|
|
900 |
1800 |
1105 |
674 |
1800 |
800 |
400 |
790 |
900 |
|
|
1000 |
2000 |
1250 |
744 |
2010 |
900 |
400 |
860 |
1000 |
|
|
1200 |
2400 |
1380 |
890 |
2210 |
1050 |
400 |
950 |
1200 |
温馨提示:
本文中所有文字、数据、图片均只适用于参考。需要查看更多的活塞式流量调节阀性能参数、结构尺寸参数、价格等详情,或要求高质量印刷样本,请联系我们。