BD343H保温蝶阀
产品概况
产品型号:BD343H
公称通径:NPS2″~80″,DN50~DN2000
压力范围:Class150~1500Lb,PN0.6~2.5MPa
工作温度:-196℃~+600℃
主体材质:碳钢、不锈钢、合金钢
传动形式:齿轮传动
设计标准:API 609、ASME B16.34、GB/T12238、GB/T12224、JB/T 8527
结构长度:API 609、ASME B16.10、GB/T12221、
连接标准:ASME B16.5、ASME B16.47、ASME B16.25、GB/T 9113、HG/T 20592
检验与测试:API 598、GB/T13927、JB/T9092 、GB/T 26480
防火测试:API 607
压力与温度等级:ASME B16.34、GB/T 12224
BD343H保温蝶阀产品简介:
百钢阀门集团生产销售的BD343H保温蝶阀也称夹套蝶阀,是在普通三偏心金属硬密封蝶阀的基础上在阀体外部焊装了金属夹套,在保温蝶阀的阀体两侧装有夹套接口,可涵入蒸汽或其它过热气体,以防止介质在常温状态下凝固或结晶。保温蝶阀的法兰较普通金属硬密封蝶阀要大一到两个规格,主要用于石油、化工、冶金、制药等各类系统。保温蝶阀BD343H/BD643H/BD943H。
BD343H保温蝶阀工作原理:
BD343H保温蝶阀的阀体与蝶板采用三维偏心原理设计,使密封面的空间运动轨迹达到理想化,密封副之间无磨损、无干涉、加之密封材料选择合理阀座堆焊STL合金,从而使整个阀座的密封性,耐高温性、耐磨性、耐腐蚀性能得到可靠保证。
BD343H保温蝶阀产品特点:
☆保温效果好,节能省耗,使用寿命长等优点目前是硫回装置较为理想的产品。
☆采用三维偏心原理设计,使密封面的空间运动轨迹达到最理想化。
☆开启力矩小、灵活方便而且三维偏心结构能使蝶板越关越紧,密封性更可靠。
☆密封副之间无磨损、无干涉、加之密封材料选择合理阀座堆焊STL合金,从而使整个阀座的密封性,耐高温性、耐磨性、耐腐蚀性能得到可靠保证。
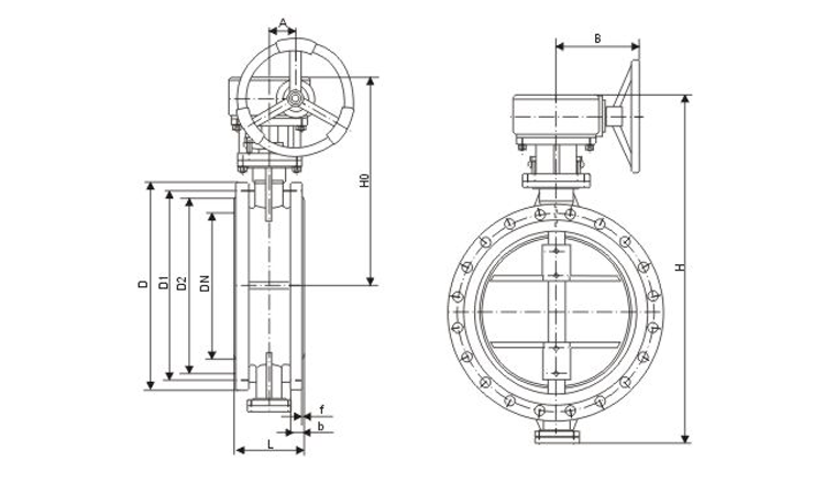
BD343H保温蝶阀

|
DN(mm) |
结构长度 |
外形尺寸(参考值) |
连接尺寸(标准值) |
48-48 |
||||||||||||||||
|
L |
H |
BDd343H |
BDd643H |
BDd943H |
PN0.6MPa |
PN1.6MPa |
||||||||||||||
|
mm |
inch |
Brief |
Long |
H1 |
A1 |
B1 |
H2 |
A2 |
B2 |
H3 |
A3 |
B3 |
D |
D1 |
Z-d |
D |
D1 |
Z-d |
||
|
50 |
2 |
108 |
150 |
112 |
350 |
180 |
200 |
625 |
245 |
72 |
530 |
250 |
255 |
140 |
110 |
4-14 |
165 |
125 |
4-18 |
17 |
|
65 |
21/2 |
112 |
170 |
115 |
370 |
180 |
200 |
625 |
245 |
72 |
530 |
250 |
255 |
160 |
130 |
4-14 |
185 |
145 |
4-18 |
20 |
|
80 |
3 |
114 |
180 |
120 |
380 |
180 |
200 |
645 |
245 |
72 |
565 |
250 |
255 |
190 |
150 |
4-18 |
200 |
160 |
8-18 |
23 |
|
100 |
4 |
127 |
190 |
138 |
420 |
180 |
200 |
675 |
355 |
92 |
600 |
250 |
255 |
210 |
170 |
4-18 |
220 |
180 |
8-18 |
25 |
|
125 |
5 |
140 |
200 |
164 |
460 |
180 |
200 |
715 |
355 |
92 |
640 |
250 |
255 |
240 |
200 |
8-18 |
250 |
210 |
8-18 |
40 |
|
150 |
6 |
140 |
210 |
175 |
555 |
270 |
280 |
800 |
355 |
92 |
705 |
300 |
315 |
265 |
225 |
8-18 |
285 |
240 |
8-22 |
47 |
|
200 |
8 |
152 |
230 |
200 |
760 |
400 |
425 |
850 |
250 |
170 |
775 |
300 |
315 |
320 |
280 |
8-18 |
340 |
295 |
8-22 |
60 |
|
250 |
10 |
165 |
250 |
243 |
830 |
400 |
425 |
925 |
250 |
170 |
945 |
300 |
315 |
375 |
335 |
12-18 |
365 |
350 |
12-22 |
95 |
|
300 |
12 |
178 |
270 |
250 |
895 |
450 |
560 |
1035 |
450 |
220 |
1070 |
300 |
315 |
440 |
395 |
12-22 |
445 |
400 |
12-22 |
124 |
|
350 |
14 |
190 |
290 |
280 |
950 |
450 |
560 |
1070 |
450 |
220 |
1140 |
300 |
315 |
490 |
445 |
12-22 |
505 |
460 |
16-22 |
181 |
|
400 |
16 |
216 |
310 |
305 |
1190 |
535 |
580 |
1190 |
450 |
220 |
1210 |
300 |
315 |
540 |
495 |
16-22 |
565 |
515 |
16-22 |
260 |
|
450 |
18 |
222 |
330 |
350 |
1255 |
535 |
580 |
1250 |
650 |
280 |
1335 |
575 |
714 |
595 |
550 |
16-22 |
615 |
565 |
16-26 |
338 |
|
500 |
20 |
229 |
350 |
380 |
1305 |
535 |
580 |
1290 |
650 |
280 |
1415 |
575 |
714 |
645 |
600 |
20-22 |
670 |
620 |
20-26 |
360 |
|
600 |
24 |
267 |
390 |
445 |
1340 |
570 |
660 |
1455 |
850 |
380 |
1605 |
656 |
810 |
755 |
705 |
20-26 |
780 |
725 |
20-26 |
540 |
|
700 |
28 |
292 |
430 |
480 |
1520 |
750 |
550 |
1585 |
850 |
380 |
1844 |
656 |
810 |
860 |
810 |
24-26 |
895 |
840 |
20-30 |
580 |
|
800 |
32 |
318 |
470 |
530 |
1710 |
750 |
550 |
1700 |
1250 |
380 |
2040 |
656 |
810 |
975 |
920 |
24-30 |
1015 |
950 |
24-30 |
845 |
|
900 |
36 |
330 |
510 |
580 |
1810 |
750 |
550 |
1965 |
1250 |
380 |
2255 |
785 |
863 |
1075 |
1020 |
24-30 |
1115 |
1050 |
24-33 |
1050 |
|
1000 |
40 |
410 |
550 |
650 |
1960 |
900 |
750 |
2015 |
1250 |
380 |
2380 |
785 |
863 |
1175 |
1120 |
28-30 |
1230 |
1160 |
28-33 |
1500 |
|
1200 |
48 |
470 |
630 |
760 |
2250 |
1000 |
925 |
2250 |
1250 |
380 |
2640 |
785 |
863 |
1405 |
1340 |
32-33 |
1455 |
1380 |
28-36 |
2000 |
|
1400 |
56 |
530 |
710 |
850 |
2435 |
1000 |
925 |
|
|
|
2886 |
|
|
1630 |
1560 |
36-36 |
1675 |
1590 |
32-39 |
3000 |
|
1600 |
64 |
600 |
790 |
1030 |
2780 |
1000 |
925 |
|
|
|
3156 |
|
|
1830 |
1760 |
40-36 |
1915 |
1820 |
36-42 |
4700 |
|
1800 |
72 |
670 |
870 |
1230 |
3020 |
1100 |
980 |
|
|
|
3421 |
|
|
2045 |
1970 |
44-39 |
2115 |
2020 |
40-48 |
6500 |
|
2000 |
80 |
760 |
950 |
1350 |
3270 |
1100 |
980 |
|
|
|
3685 |
|
|
2265 |
2180 |
48-42 |
2325 |
2230 |
44-48 |
8700 |
BD343H保温蝶阀
|
DN(mm) |
结构长度 |
外形尺寸(参考值) |
连接尺寸(标准值) |
48-48 |
||||||||||||||||
|
L |
H |
BDd343H |
BDd643H |
BDd943H |
PN0.6MPa |
PN1.6MPa |
||||||||||||||
|
mm |
inch |
Brief |
Long |
H1 |
A1 |
B1 |
H2 |
A2 |
B2 |
H3 |
A3 |
B3 |
D |
D1 |
Z-d |
D |
D1 |
Z-d |
||
|
50 |
2 |
108 |
150 |
112 |
350 |
180 |
200 |
625 |
245 |
72 |
530 |
250 |
255 |
165 |
125 |
4-14 |
165 |
125 |
4-18 |
19 |
|
65 |
21/2 |
112 |
170 |
115 |
370 |
180 |
200 |
625 |
245 |
72 |
530 |
250 |
255 |
185 |
145 |
4-14 |
185 |
145 |
8-18 |
22 |
|
80 |
3 |
114 |
180 |
120 |
380 |
180 |
200 |
645 |
245 |
72 |
565 |
250 |
255 |
200 |
160 |
4-18 |
200 |
160 |
8-18 |
25 |
|
100 |
4 |
127 |
190 |
138 |
420 |
180 |
200 |
675 |
355 |
92 |
600 |
250 |
255 |
220 |
180 |
4-18 |
235 |
190 |
8-22 |
28 |
|
125 |
5 |
140 |
200 |
164 |
460 |
180 |
200 |
715 |
355 |
92 |
640 |
250 |
255 |
250 |
210 |
8-18 |
270 |
220 |
8-26 |
43 |
|
150 |
6 |
140 |
210 |
175 |
555 |
270 |
280 |
800 |
355 |
92 |
705 |
300 |
315 |
285 |
240 |
8-18 |
300 |
250 |
8-26 |
50 |
|
200 |
8 |
152 |
230 |
200 |
760 |
400 |
425 |
850 |
250 |
170 |
775 |
300 |
315 |
340 |
295 |
8-18 |
360 |
310 |
12-26 |
64 |
|
250 |
10 |
165 |
250 |
243 |
830 |
400 |
425 |
925 |
170 |
945 |
300 |
315 |
405 |
355 |
12-18 |
425 |
370 |
12-30 |
99 |
|
|
300 |
12 |
178 |
270 |
250 |
895 |
450 |
560 |
1035 |
450 |
220 |
1070 |
300 |
315 |
460 |
410 |
12-22 |
485 |
430 |
16-30 |
130 |
|
350 |
14 |
190 |
290 |
280 |
950 |
450 |
560 |
1070 |
450 |
220 |
1140 |
300 |
315 |
520 |
470 |
12-22 |
555 |
490 |
16-33 |
188 |
|
400 |
16 |
216 |
310 |
305 |
1190 |
535 |
580 |
1190 |
450 |
220 |
1210 |
300 |
315 |
580 |
525 |
16-22 |
620 |
550 |
16-36 |
270 |
|
450 |
18 |
222 |
330 |
350 |
1255 |
535 |
580 |
1250 |
650 |
280 |
1335 |
575 |
714 |
640 |
585 |
16-22 |
670 |
600 |
20-36 |
350 |
|
500 |
20 |
229 |
350 |
380 |
1305 |
535 |
580 |
1290 |
650 |
280 |
1415 |
575 |
714 |
715 |
650 |
20-22 |
730 |
660 |
20-36 |
375 |
|
600 |
24 |
267 |
390 |
445 |
1340 |
570 |
660 |
1455 |
850 |
380 |
1605 |
656 |
810 |
840 |
770 |
20-26 |
845 |
770 |
20-39 |
560 |
|
700 |
28 |
292 |
430 |
480 |
1520 |
750 |
550 |
1585 |
850 |
380 |
1844 |
656 |
810 |
910 |
840 |
24-26 |
960 |
875 |
24-42 |
610 |
|
800 |
32 |
318 |
470 |
530 |
1710 |
750 |
550 |
1700 |
1250 |
380 |
2040 |
656 |
810 |
1025 |
950 |
24-30 |
1085 |
990 |
24-48 |
880 |
|
900 |
36 |
330 |
510 |
580 |
1810 |
750 |
550 |
1965 |
1250 |
380 |
2255 |
785 |
863 |
1125 |
1050 |
24-30 |
1185 |
1090 |
28-48 |
1100 |
|
1000 |
40 |
410 |
550 |
650 |
1960 |
900 |
750 |
2015 |
1250 |
380 |
2380 |
785 |
863 |
1255 |
1170 |
28-30 |
1320 |
1210 |
28-56 |
1600 |
|
1200 |
48 |
470 |
630 |
760 |
2250 |
1000 |
925 |
2250 |
1250 |
380 |
2640 |
785 |
863 |
1485 |
1390 |
32-33 |
1530 |
1420 |
32-56 |
2150 |
|
1400 |
56 |
530 |
710 |
850 |
2435 |
1000 |
925 |
|
|
|
2886 |
|
|
1685 |
1590 |
36-36 |
1755 |
1640 |
36-62 |
3200 |
|
1600 |
64 |
600 |
790 |
1030 |
2780 |
1000 |
925 |
|
|
|
3156 |
|
|
1930 |
1820 |
40-36 |
1975 |
1830 |
40-62 |
5000 |
|
1800 |
72 |
670 |
870 |
1230 |
3020 |
1100 |
980 |
|
|
|
3421 |
|
|
2130 |
2020 |
44-39 |
2195 |
2070 |
44-70 |
6800 |
|
2000 |
80 |
760 |
950 |
1350 |
3270 |
1100 |
980 |
|
|
|
3685 |
|
|
2345 |
2230 |
48-42 |
2425 |
2300 |
48-70 |
9100 |
※注:Dd-代表多层次密封结构
BD343H保温蝶阀
|
DN(mm) |
结构长度 |
外形尺寸(参考值) |
连接尺寸(标准值) |
|||||||||||||
|
L |
H |
DBd373H |
DBd673H |
BDd973H |
PN4.0MPa |
|||||||||||
|
mm |
inch |
短Brief |
长Long |
H1 |
A1 |
B1 |
H2 |
A2 |
B2 |
H3 |
A3 |
B3 |
D |
D1 |
Z-d |
|
|
50 |
2 |
108 |
150 |
112 |
350 |
180 |
200 |
625 |
250 |
170 |
530 |
250 |
255 |
165 |
125 |
4-14 |
|
65 |
21/2 |
112 |
170 |
115 |
370 |
180 |
200 |
625 |
250 |
170 |
530 |
250 |
255 |
185 |
145 |
8-18 |
|
80 |
3 |
114 |
180 |
120 |
380 |
180 |
200 |
645 |
250 |
170 |
565 |
250 |
255 |
200 |
160 |
8-18 |
|
100 |
4 |
127 |
190 |
138 |
420 |
180 |
200 |
675 |
250 |
170 |
600 |
250 |
255 |
235 |
190 |
8-22 |
|
125 |
5 |
140 |
200 |
164 |
460 |
180 |
200 |
715 |
450 |
220 |
640 |
250 |
255 |
270 |
220 |
8-26 |
|
150 |
6 |
140 |
210 |
175 |
555 |
270 |
280 |
800 |
450 |
220 |
705 |
300 |
315 |
300 |
250 |
8-26 |
|
200 |
8 |
152 |
230 |
200 |
760 |
400 |
425 |
850 |
450 |
220 |
775 |
300 |
315 |
375 |
320 |
12-30 |
|
250 |
10 |
165 |
250 |
243 |
930 |
400 |
425 |
925 |
450 |
280 |
945 |
300 |
315 |
450 |
385 |
12-33 |
|
300 |
12 |
178 |
270 |
250 |
895 |
450 |
560 |
1035 |
650 |
280 |
1070 |
300 |
315 |
515 |
450 |
16-33 |
|
350 |
14 |
190 |
290 |
280 |
950 |
450 |
560 |
1070 |
650 |
280 |
1140 |
300 |
315 |
580 |
510 |
16-36 |
|
400 |
16 |
216 |
310 |
305 |
1190 |
535 |
580 |
1190 |
650 |
280 |
1210 |
300 |
315 |
660 |
585 |
16-39 |
|
450 |
18 |
222 |
330 |
350 |
1255 |
535 |
580 |
|
|
|
1335 |
575 |
714 |
685 |
610 |
20-39 |
|
500 |
20 |
229 |
350 |
380 |
1305 |
535 |
580 |
|
|
|
1415 |
575 |
714 |
755 |
670 |
20-42 |
※注:法兰标准:GB/T9113.1-2000 GB/T9113.2-2000 GB/T911.5.1-2000 GB/T9115.2-2000
※用户注意:表中H1、H2、H3尺寸均可根据用户需求加长(长杆蝶阀),本产品一般按短系列,若需长系列或特殊材料定货时提出。
温馨提示:
本文中所有文字、数据、图片均只适用于参考。需要查看更多的BD343H保温蝶阀性能参数、结构尺寸参数、价格等详情,或要求高质量印刷样本,请联系我们。